V2NF_1000PSI
型號:兩片式全流
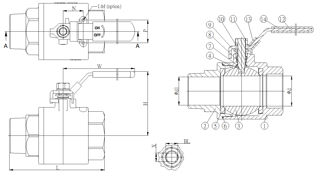
2-PC Full Port Ball Valve
Valve end thread = G 228 BSPP / PT RC / NPT
Blow-out proof stem
Locking device
OPTION:
1. Anti-static device
2. Drilling and tapped mounting pad
Valve end thread = G 228 BSPP / PT RC / NPT
Blow-out proof stem
Locking device
OPTION:
1. Anti-static device
2. Drilling and tapped mounting pad
尺寸 / 扭力


BOM表 材質 / 溫壓表


檔案下載
產品詢問
| 圖片 | 商品名稱 |
|---|---|
|
V2NF_1000PSI 兩片式全流 |