V3E_1000PSI
型號:三片式全流
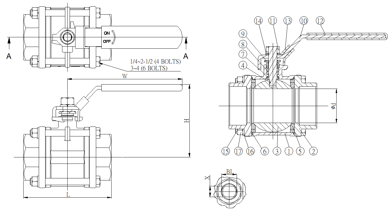
3-PC Full Port Ball Valve
Valve end thread = G 228 BSPP / PT RC / NPT
Valve end = Butt weld end / Socket weld end
Blow-out proof stem
Locking device
OPTION:
1. Anti-static device
Valve end thread = G 228 BSPP / PT RC / NPT
Valve end = Butt weld end / Socket weld end
Blow-out proof stem
Locking device
OPTION:
1. Anti-static device
尺寸 / 扭力


BOM表 材質 / 溫壓表


檔案下載
產品詢問
| 圖片 | 商品名稱 |
|---|---|
|
V3E_1000PSI 三片式全流 |